欢迎来到广州昕精联电子科技有限公司!

首页 > 产品中心 > 测力传感器

product name: 628A 3kg~100kg
产品名称: CL939M
量程范围(kg) 100-750g
功能特点: 高精度称重传感器
应用范围:各种高精度称量物体重量
产品详情

技术参数:

额定载荷

100-750g

零点输出

±0.1mV/V

四角误差

±3μV

线性

0.05%FS

滞后

0.05%FS

蠕变

0.05%FS(3min)

输出阻抗

1000±10Ω

输入阻抗

1090±1

使用温度

-10+40

接线方式

红(E+)、黑(E-)、绿(S+)、黑(S-)

零点温度漂移

0.1% F.S./10℃

温度灵敏度

0.1% F.S./10℃

绝缘电阻

2000 MΩ

激励电压

5-10VDC

极限过载

150%FS

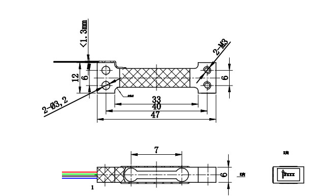
产品尺寸(mm)


联系我们
广州昕精联电子科技有限公司
公司地址 : 广州市经济技术开发区金碧路金华一街9号
邮箱 : chinesemeasure@gmail.com , sales@chinesemeasure.com
客服电话 : 020-82212500   18127954858
传真 : 020-80673066
网址: www.chinesemeasure.com
关注我们